Intelligent multi-mode gateway shell, smart home device remote control shell, multifunctional wifi Bluetooth shell
Intelligent multi-mode gateway shell, smart home device remote control shell, multifunctional wifi Bluetooth shell
Specifications
White+white button with symbol
White and red buttons with text
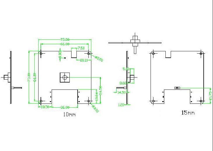
Name: Intelligent Multimode Gateway Shell
Specification: Length 85, Width 85, Thickness: 31MM
Material: ABS






