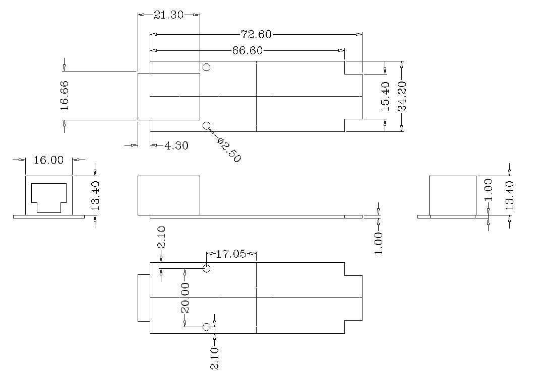
USB network card shell, Gigabit network card shell with RG45 Ethernet interface, USB interface shell
USB network card shell, Gigabit network card shell with RG45 Ethernet interface, USB interface shell
Specifications
white
Ordinary Black
silvery
Flash Silver Black
Name: USB Wireless Network Card Shell
Specification: Length 83, Width 33MM, Height 24MM
Material: ABS





